
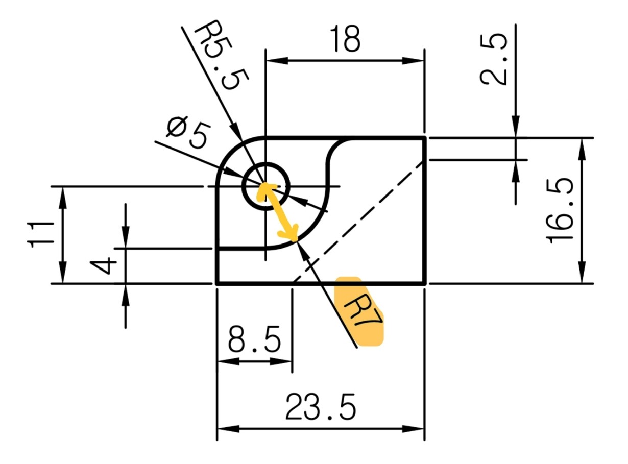
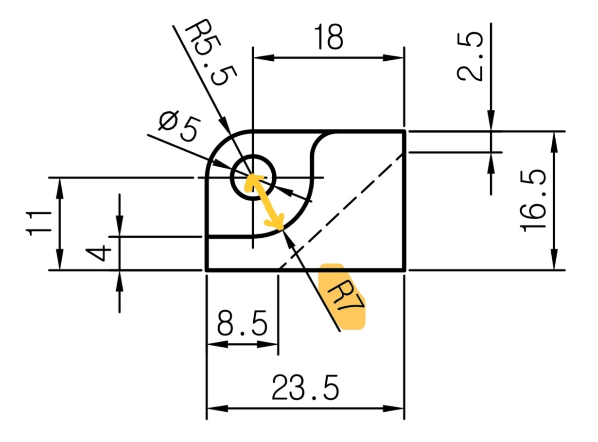
1. 8번 도면은 ①번 부품과 ②번 부품이 맞물리는 부분의 두께가 짧고 두껍기 때문에 출력했을 때 좀처럼 파손될 일이 없다. 하지만 모델링의 경우 커브를 여러 개 그려야 하기 때문에 마냥 쉽지만은 않다. 또, 공개도면 8번은 처음으로 0.5mm 단위의 치수가 등장한다. 치수를 혼동하지 않고 정확하게 커브를 그리는 것이 중요하다.
2. 도면을 받으면 수험자가 임의로 정해야하는 치수 A와 B를 결정해야한다. 시험장에 비치된 3D프린터의 출력품질을 고려했을 때 공차는 0.5mm 정도가 적당하다. ①번 부품과 A가 맞물리는 부분의 지름은 5mm이다. 사방에 공차를 적용하면 A의 치수는 6mm가 된다. ①번 부품과 B가 맞물리는 부분의 너비는 6mm이다. 양쪽 끝에 공차를 적용하면 B의 치수는 7mm가 된다.
3. 다음은 '주서'를 확인해 보자. 도면에 모양은 있는데 치수가 기입되지 않은 경우 '주서'를 참고하면 된다. 도시되고 지시없는 모떼기(모따기)는 C2, 라운드(필릿)는 R3이다.

4. Front view 화면에서 가로 23.5mm, 세로 16.5mm인 직사각형을 그린다. 이는 일종의 기준선으로 Front view에서 바라본 ①번 부품의 커브는 이 직사각형을 벗어나지 않는다.


5. 가로 18mm, 세로 11mm인 직사각형을 그려 큰 직사각형의 우측 하단 모서리에 붙인다. 그 직사각형 좌측 상단 모서리 끝점을 중심으로 하여 '원: 중심점, 반지름' 명령을 사용하여 지름 5mm인 원을 그린다. 직사각형은 원을 배치할 정확한 치수를 위해 그린 보조선이므로 작업 이후에 지운다.

6. '커브 필릿' 명령을 사용하여 직사각형의 모서리에 5.5mm만큼 라운드를 준다. 명령창에 5.5를 입력하고 우클릭, '필릿할 첫 번째 커브'와 '필릿할 두 번째 커브'를 각각 클릭해 준다.

7. 앞으로 그리는 커브에 방해가 될 수 있기 때문에 '개체 잠금' 명령을 사용하여 제일 바깥쪽 커브는 클릭되지 않게 잠가놓는다.

8. 잠가놓은 커브의 둘레를 따라 직선커브를 그린 뒤, 4mm 높이만큼 올라오게 커브를 그린다.

9. 8번 도면을 처음 연습하는 사람이라면 다음 커브를 어떻게 연결해서 그릴지 감이 잡히지 않을 수 있다. 정확한 치수가 나와있지 않고 추론해야 하기 때문이다. 약간의 논리력이 필요하다. 직선 커브를 이어서 그리는 대신에 곡선 커브먼저 그리면 그다음부터는 쉽게 커브를 완성할 수 있다.


10. 작은 원의 중심점을 찾아 '원: 중심점, 반지름' 명령을 사용하여 지름 14mm인 원을 그린다.

11. 높이 4mm인 커브의 끝점부터 원의 교차점, 사분점까지 직선커브를 그린다. 커브는 수평으로 그려져야 정상이다. 평이 맞지 않으면 어딘가 치수를 잘못 그린 커브가 있는 것이니 다시 확인해봐야 한다. 수직, 수평선을 그리고 싶을 때는 'shift'를 누른 상태에서 '폴리라인' 명령을 사용하면 된다.



12. '폴리라인' 명령을 사용하여 원의 '끝점, 사분점'을 클릭, 그다음은 '수직점, 교차점'에서 클릭, 마지막으로 그려놓았던 커브의 '끝점'에서 마무리한다.


13. 커브를 선택한 뒤, '트림' 명령을 사용하여 필요 없는 커브는 삭제한다. 커브를 삭제한 뒤에는 '결합' 명령을 사용하여 닫힌 커브로 만들어준다. 닫힌 커브로 만드는 이유는 '닫힌' 평면형 커브 돌출 작업을 하기 위해서이다.

14. 커브의 한쪽 모서리에 라운드가 되어있는데 치수는 나와있지 않다. 추측할 수 있는 주변 치수 정보 또한 없다. 이런 경우 '주서'에 따라 치수를 결정하면 된다. '커브 필릿' 명령을 선택한 뒤, 명령창에 3을 입력한다. '필릿할 첫 번째 커브'와 '필릿할 두 번째 커브'를 차례로 클릭한다.


15. 그림처럼 닫힌 커브의 둘레에 두 개의 보조선을 그려준다. 길이가 8.5mm인 직선 커브, 2.5mm인 직선 커브를 각각 그려준다. 두 개의 보조선 끝점을 연결하는 대각선 커브를 그린다. 작업을 마치면 보조선 두 개는 지워도 좋다.

16. 대각선 커브의 끝점을 연장하여 하나의 닫힌 커브를 만들어준다. 차집합에 사용할 커브이기 때문에 정확히 치수에 맞게 그릴 필요는 없지만 ①번 부품의 아우트라인보다 조금 더 크게 그리는 것이 좋다.

17. 커브를 완성했으니 맨 처음 '개체 잠금' 명령을 사용하여 잠가놓았던 커브는 잠금 해제를 해준다.



18. 그림과 같이 닫힌 커브 두 개를 선택한 뒤, Top view 화면으로 이동한다. '닫힌 평면형 커브 돌출' 명령을 사용하여 16mm 두께로 돌출한다.



19. 가장 바깥쪽 커브를 선택한 뒤, Top view 화면에서 '닫힌 평면형 커브 돌출' 명령을 사용하여 6mm 두께로 돌출한다.

20. 돌출 세 개를 모두 선택한 뒤, '부울 합집합' 명령을 사용하여 하나의 폴리서피스로 만들어준다.


21. 차집합 위해 남은 커브를 선택한다. Top view 화면에서 8mm 두께로 돌출한다.



22. '부울 차집합' 명령을 사용한다. '차집합을 계산할 원래 서피스'에 ①번 부품을 선택하고, '차집합 계산에 사용할 서피스'에 돌출을 선택한다.

23. '텍스트 개체' 명령을 사용하여 부여받은 고유번호를 음각한다. 시험장의 3D프린터의 출력 품질이 생각보다 좋지 않을 수 있고 다소 복불복인 점도 있으므로 되도록이면 두꺼운 글씨체를 선택하는 게 좋다.


24. 숫자 커브를 확대하여 ①번 부품의 바른 위치에 배치한다. '닫힌 평면형 커브 돌출' 명령을 사용하여 ①번 부품에 1mm 깊이로 들어갈 수 있게 배치한다.



25. '부울 차집합' 명령을 사용하여 숫자 돌출이 음각되게 한다. '차집합을 계산할 원래 서피스'에 ①번 부품을 선택하고, '차집합 계산에 사용할 서피스'에 숫자 돌출을 선택한다.

26. '커브 선택' 명령을 사용하여 그렸던 커브를 삭제하면 ①번 부품이 완성된다.
▷공개도면 8번 이어서 만들기◁
▷다른 공개도면 연습하기◁
3D프린터운용기능사 공개도면 1번 만들어보기 - ①
1. 모델링을 하기에 앞서, 상호 움직임이 발생하는 부위의 치수를 먼저 정해놓아야한다. 1번(A), 2번(B)의 치수는 수험자가 결정해야하는데 시험지에는 해당부위의 기준치수와의 차이를 ±1mm라고
informationyouneed.effettoblog.com
3D프린터운용기능사 공개도면 2번 만들어보기 - ①
1. 모델링하는 시간을 단축시키고 싶다면 무작정 도면을 그릴 것이 아니라 어디부터 시작할지 잘 살펴봐야한다. 허둥대다가 도면을 다시 그려야 한다면 오히려 시간에서 큰 손해이다. 우선 3D프
informationyouneed.effettoblog.com
3D프린터운용기능사 공개도면 3번 만들어보기 - ①
1. 벌써 여러 번 반복해서 말하고 있지만 시험 도면을 잘 살펴보는 것은 몇 번을 강조해도 지나치지 않을 정도로 중요하다. 도면을 받으면 제일 먼저 수험자가 임의로 결정해야 하는 치수 1번(A)
informationyouneed.effettoblog.com
3D프린터운용기능사 공개도면 4번 만들어보기 - ①
1. 4번 도면은 디테일이 많은 편이라 방심하면 자잘한 실수들이 생길 수 있다. 그럴수록 도면을 열심히 들여다보고 어느 방향에서 커브를 그릴지 고민을 해봐야 한다. 2. 커브를 어떻게 나누어 그
informationyouneed.effettoblog.com
3D프린터운용기능사 공개도면 5번 만들어보기 - ①
1. 4번 도면에서 부품을 윗부분과 아랫부분으로 나누어 모델링한 것같이 5번 도면도 ①번 부품을 윗부분과 아랫부분으로 각각 나누어 만들 예정이다. 여러 가지 방법이 있으니 무엇이 옳다고 할
informationyouneed.effettoblog.com
3D프린터운용기능사 공개도면 6번 만들어보기 - ①
1. 6번 도면은 그리기도 쉽지 않고, 출력하는 건 더 쉽지 않다. 특히 ②번 부품은 출력 후 서포트를 제거하는 중에 부러질 위험성이 다분하다. 6번은 다른 것보다 출력 연습을 더 하고 시험장에 가
informationyouneed.effettoblog.com
3D프린터운용기능사 공개도면 7번 만들어보기 - ①
1. 7번 도면은 커브를 그리기에는 까다로운 반면, 출력하는데 큰 어려움이 없는 편이다. 커브에 곡면이 많으나 그것만 주의하면 어렵지 않게 완성할 수 있다. 2. 도면을 확인하면서 먼저 해결해야
informationyouneed.effettoblog.com
'3D프린터운용기능사 실기시험' 카테고리의 다른 글
| 3D프린터운용기능사 공개도면 8번 만들어보기 - ② (0) | 2023.09.14 |
|---|---|
| 3D프린터운용기능사 공개도면 7번 만들어보기 - ② (0) | 2023.09.10 |
| 3D프린터운용기능사 공개도면 7번 만들어보기 - ① (0) | 2023.09.09 |
| 3D프린터운용기능사 공개도면 6번 만들어보기 - ② (0) | 2023.08.29 |
| 3D프린터운용기능사 공개도면 6번 만들어보기 - ① (0) | 2023.08.29 |
댓글