
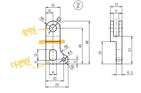
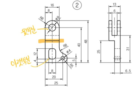
1. 4번 도면은 디테일이 많은 편이라 방심하면 자잘한 실수들이 생길 수 있다. 그럴수록 도면을 열심히 들여다보고 어느 방향에서 커브를 그릴지 고민을 해봐야 한다.


2. 커브를 어떻게 나누어 그릴지 대략적으로 나누어보았다. ①번 부품과 ②번 부품 둘 다 윗부분, 아랫부분을 나누어 커브를 그리는 방법이 가장 빠를 것이라 생각된다.
3. 완성된 예상도로 보고 수험자가 임의로 결정해야 하는 1번(A)과 2번(B)의 치수를 예측한다. 1번(A)이 맞물리게 되는 ②번 부품의 폭이 8mm이기 때문에 사방 0.5mm의 공차를 두어 1번(A)의 치수는 7mm가 된다. 2번(B)이 움직이는 ②번 부품의 폭이 6mm이기 때문에 2번(B)의 치수는 5mm가 된다.

4. Front view 화면에서 시작한다. '직사각형: 모서리에서 모서리로' 명령을 사용하여 가로 16mm, 세로 12mm의 직사각형을 그린다.

5. 직사각형 커브의 윗부분부터 22mm 아래로 뻗은 보조선을 그려준다. 이 보조선의 끝점에 맞추어 반지름이 8mm인 원을 그린다.

6. 보조선 끝점에 맞추어 1번(A)의 치수인 지름 7mm인 원을 그린다.
7. 부품의 윗부분과 아랫부분의 돌출을 각각 따로 할 것이기 때문에 커브도 따로 그려준다. 처음에 그린 직사각형의 두 꼭짓점과 원의 두 사분면에 맞게 가로 16mm, 세로 10mm의 직사각형을 그린다.


8. 아랫부분의 커브를 모두 선택한 뒤, '트림' 명령을 사용하여 필요 없는 커브를 삭제한다. 커브를 삭제한 후에는 '결합' 명령을 사용하여 닫힌 커브로 만들어준다.


9. Front view에서 'shift'를 누른 채 13mm로 돌출해야 할 커브 두 개를 선택한다. Top view로 옮겨 13mm만큼 돌출시킨다. '닫힌 평면형 커브 돌출' 명령을 사용할 때 명령창에 '양쪽으로' 항목을 선택하면 커브를 중심으로 양쪽 방향으로 동일한 치수만큼 돌출된다. 이 명령을 사용하면 나중에 동출을 가운데 정렬할 필요가 없어서 시간이 절약된다.


10. Front view에서 남은 커브를 선택한 후 Right view에서 5mm만큼 돌출시킨다.

11. Right view 화면에서 ①번 부품의 윗부분 정 가운데에 지름이 5mm인 원을 그린다.

12. '닫힌 평면형 커브 돌출' 명령을 사용하여 23mm만큼 돌출한다.



13. 주서에 도시되고 지시 없는 모떼기는 C2, 라운드는 R3라고 명시되어 있다. 도면상에는 모떼기를 얼마만큼 하라는 지시가 없으므로 주서에 따라서 모델링하면 된다. '가장자리 모따기' 명령을 사용한다. 명령창에 2를 입력하고 네 모서리를 클릭하면 얼마만큼 모따기가 되는지 미리 볼 수 있다. 맞으면 Enter를 눌러서 진행한다.


14. '텍스트 개체' 명령을 사용하여 시험장에서 부여받은 번호를 넣는다. FDM 방식의 3D프린터의 노즐 기본 크기는 0.4mm이다. 너무 가느다란 글씨체를 사용할 경우에 출력이 잘 되지 않을 수 있으므로 되도록이면 두께가 있는 글씨체를 선택하는 것이 좋다.

15. 숫자는 ①번 부품의 표면에서 1mm~1.5mm 정도 파고들어 갈 수 있게 배치해 준다.



16. '부울 차집합' 명령을 사용하여 숫자를 음각한다. 차집합을 계산할 원래 서피스를 선택하고, 차집합 계산에 사용될 서피스로 숫자 돌출을 선택한 후 차집합한다.

17. 마지막으로 클릭, 드래그로 모두 선택한 후, '합집합' 명령을 사용하여 하나로 묶어준다.
▷공개도면 4번 이어서 만들기◁
3D프린터운용기능사 공개도면 4번 만들어보기 - ②
1. ②번 부품도 ①번 부품을 만들었던것과 같이 윗부분과 아랫부분 두 파트로 나누어 모델링을 할 예정이다. 2. ②번 부품을 만드는데 크게 두 가지 방법을 생각해볼 수 있다. 위 그림에서처럼 윗
informationyouneed.effettoblog.com
▷다른 공개도면 연습하기◁
3D프린터운용기능사 공개도면 1번 만들어보기 - ①
1. 모델링을 하기에 앞서, 상호 움직임이 발생하는 부위의 치수를 먼저 정해놓아야한다. 1번(A), 2번(B)의 치수는 수험자가 결정해야하는데 시험지에는 해당부위의 기준치수와의 차이를 ±1mm라고
informationyouneed.effettoblog.com
3D프린터운용기능사 공개도면 2번 만들어보기 - ①
1. 모델링하는 시간을 단축시키고 싶다면 무작정 도면을 그릴 것이 아니라 어디부터 시작할지 잘 살펴봐야한다. 허둥대다가 도면을 다시 그려야 한다면 오히려 시간에서 큰 손해이다. 우선 3D프
informationyouneed.effettoblog.com
3D프린터운용기능사 공개도면 3번 만들어보기 - ①
1. 벌써 여러 번 반복해서 말하고 있지만 시험 도면을 잘 살펴보는 것은 몇 번을 강조해도 지나치지 않을 정도로 중요하다. 도면을 받으면 제일 먼저 수험자가 임의로 결정해야 하는 치수 1번(A)
informationyouneed.effettoblog.com
'3D프린터운용기능사 실기시험' 카테고리의 다른 글
| 3D프린터운용기능사 공개도면 5번 만들어보기 - ① (0) | 2023.08.28 |
|---|---|
| 3D프린터운용기능사 공개도면 4번 만들어보기 - ② (0) | 2023.07.23 |
| 3D프린터운용기능사 공개도면 3번 만들어보기 - ② (0) | 2023.07.21 |
| 3D프린터운용기능사 공개도면 3번 만들어보기 - ① (0) | 2023.07.21 |
| 3D프린터운용기능사 공개도면 2번 만들어보기 - ② (0) | 2023.07.13 |
댓글