
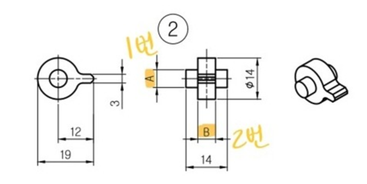
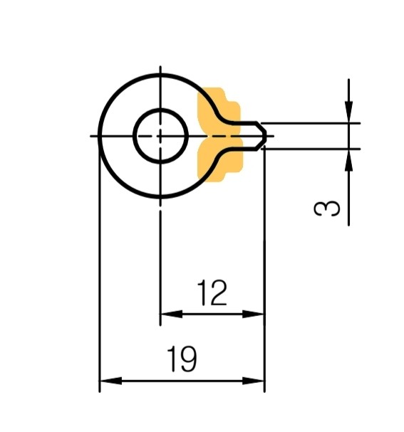
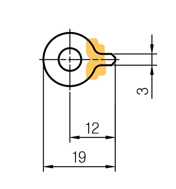
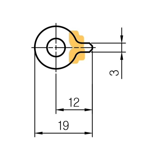
1. 지난 게시물에 이어서 공개도면 7번의 ②번 부품을 만들어보자. ①품을 만들어 놓았다면 거진 다 만든 것이나 다름없다. ②번 부품도 눈을 크게 뜨고 봐야 하는 디테일이 있다. 시험장에서 갈팡질팡하지 말고 7번 도면은 시험 보기 전에 꼭 한번 연습해 보자.

2. 그림이 너무 작게 보일 것 같아서 확대한 후 다시 캡처를 해왔다. 우선 수험자가 임의로 정해야 하는 치수 A와 B를 복기해 보자. 0.5mm의 공차를 적용하여 A는 5mm, B는 5mm로 정했었다.

3. 만들어둔 ①번 부품은 '개체 숨기기' 명령을 사용하여 숨겨두었다. Right view 화면에 가로 19mm, 세로 14mm인 직사각형을 그린다. 직사각형을 그리지 않고 시작해도 문제는 없으나 본인의 경우 치수를 계속 다시 확인하는 작업을 번거롭게 생각하여 틀을 먼저 만들어놓는 스타일이다.

4. 직사각형의 세 변에 접하게 '원: 지름' 명령을 사용하여 지름 14mm인 원을 그린다.


5. '개체 스냅' 항목에서 '중심점'을 체크하면 원의 중심을 쉽게 찾을 수 있다. '원: 중심점, 반지름' 명령을 사용하여 지름 5mm인 원을 그린다.

6. 작게 그려져 있기 때문에 도면에서 이 부분이 명확하게 보이지 않을 수 있다. 7번 도면을 연습하면서 지금 확인해 놓자. 원에서 뻗어나가는 부분은 라운드(필릿) 처리가 되어있고, 그 끝은 모떼기(모따기)가 되어있다.

7. 바깥 직사각형의 한 변에 접하는 가로 6mm, 세로 3mm의 직사각형을 그린다. 가로축인 X축을 기준으로 양쪽의 거리가 같도록 가운데 지점에 배치한다.


8. 원과 직사각형, 두 개의 커브를 선택한 후 '트림' 명령을 사용하여 필요 없는 커브를 삭제한다. 커브를 삭제하고 나서는 '결합' 명령을 사용하여 닫힌 커브로 만들어준다.



9. 커브를 선택한 뒤, '닫힌 평면형 커브 돌출' 명령을 사용하여 5mm 두께로 돌출한다. 명령창에 '양쪽' 항목을 '예'로 바꾸면 커브를 기준으로 양쪽 동일한 치수로 돌출할 수 있다. 세로축(Y축)을 다시 맞출 필요가 없으니 이런 소소한 팁을 통해 모델링 시간을 절약할 수 있다.



10. 안쪽 원 커브를 선택한 뒤, '닫힌 평면형 커브 돌출' 명령을 사용하여 14mm 길이로 돌출한다.


11. '가장자리 필릿' 명령을 사용해서 '주서'에 따라 모서리에 라운드를 준다. 명령창에 2를 입력 후 Enter, '필릿할 가장자리 선택'에 두 모서리를 클릭한다.


12. '가장자리 모따기' 명령을 사용해서 '주서'에 따라 모서리를 깎는다. 명령창에 1을 입력하고, Enter, '모따기 할 가장자리 선택'에 두 모서리를 클릭한다.


13. '커브 선택' 명령을 사용하면 그렸던 모든 커브가 선택된다. 보기에 지저분하니 커브는 모두 삭제한다. 시험 때는 커브가 점수 요소에 평가되지 않으므로 지워도, 지우지 않아도 큰 관계가 없다.
하지만 이 일을 업으로 삼았을 때 커브를 삭제하지 않은 채 작업을 넘기게 되면 디자인에 대한 카피 문제가 생길 수 있으므로 지우는 것을 습관들이자. 커브를 지웠다고 카피 문제에 휘말리지 않을 것이라는 보장은 없다. 잘하는 분은 발로 그린 그림으로도 제품을 뚝딱 모델링하기 때문이다. 하지만 그나마도 쉽게 베끼지 못하게 하는 방법이 이것뿐이니 참고하길 바란다.

14. '개체 표시' 명령을 사용하여 숨겨두었던 ①번 부품을 가지고 와서 ②번 부품과 잘 맞는지 확인 후 출력할 자세를 잡는다. 보통 이 방법으로 출력하는 것이 속도도 빠르고 표면도 나쁘지 않게 나온다.
▷다른 공개도면 연습하기◁
3D프린터운용기능사 공개도면 1번 만들어보기 - ①
1. 모델링을 하기에 앞서, 상호 움직임이 발생하는 부위의 치수를 먼저 정해놓아야한다. 1번(A), 2번(B)의 치수는 수험자가 결정해야하는데 시험지에는 해당부위의 기준치수와의 차이를 ±1mm라고
informationyouneed.effettoblog.com
3D프린터운용기능사 공개도면 2번 만들어보기 - ①
1. 모델링하는 시간을 단축시키고 싶다면 무작정 도면을 그릴 것이 아니라 어디부터 시작할지 잘 살펴봐야한다. 허둥대다가 도면을 다시 그려야 한다면 오히려 시간에서 큰 손해이다. 우선 3D프
informationyouneed.effettoblog.com
3D프린터운용기능사 공개도면 3번 만들어보기 - ①
1. 벌써 여러 번 반복해서 말하고 있지만 시험 도면을 잘 살펴보는 것은 몇 번을 강조해도 지나치지 않을 정도로 중요하다. 도면을 받으면 제일 먼저 수험자가 임의로 결정해야 하는 치수 1번(A)
informationyouneed.effettoblog.com
3D프린터운용기능사 공개도면 4번 만들어보기 - ①
1. 4번 도면은 디테일이 많은 편이라 방심하면 자잘한 실수들이 생길 수 있다. 그럴수록 도면을 열심히 들여다보고 어느 방향에서 커브를 그릴지 고민을 해봐야 한다. 2. 커브를 어떻게 나누어 그
informationyouneed.effettoblog.com
3D프린터운용기능사 공개도면 5번 만들어보기 - ①
1. 4번 도면에서 부품을 윗부분과 아랫부분으로 나누어 모델링한 것같이 5번 도면도 ①번 부품을 윗부분과 아랫부분으로 각각 나누어 만들 예정이다. 여러 가지 방법이 있으니 무엇이 옳다고 할
informationyouneed.effettoblog.com
3D프린터운용기능사 공개도면 6번 만들어보기 - ①
1. 6번 도면은 그리기도 쉽지 않고, 출력하는 건 더 쉽지 않다. 특히 ②번 부품은 출력 후 서포트를 제거하는 중에 부러질 위험성이 다분하다. 6번은 다른 것보다 출력 연습을 더 하고 시험장에 가
informationyouneed.effettoblog.com
'3D프린터운용기능사 실기시험' 카테고리의 다른 글
| 3D프린터운용기능사 공개도면 8번 만들어보기 - ② (0) | 2023.09.14 |
|---|---|
| 3D프린터운용기능사 공개도면 8번 만들어보기 - ① (0) | 2023.09.13 |
| 3D프린터운용기능사 공개도면 7번 만들어보기 - ① (0) | 2023.09.09 |
| 3D프린터운용기능사 공개도면 6번 만들어보기 - ② (0) | 2023.08.29 |
| 3D프린터운용기능사 공개도면 6번 만들어보기 - ① (0) | 2023.08.29 |
댓글