
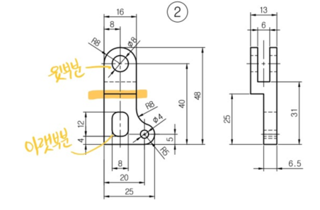
1. ②번 부품도 ①번 부품을 만들었던것과 같이 윗부분과 아랫부분 두 파트로 나누어 모델링을 할 예정이다.

2. ②번 부품을 만드는데 크게 두 가지 방법을 생각해볼 수 있다. 위 그림에서처럼 윗부분 아랫부분으로 나누어 커브를 그리는 방법과 두 파트를 하나의 커브로 그린 뒤 차집합을 하여 만드는 방법이있다. 그리는 사람에 따라 어느 방법이 더 빠르다고 말할 수 없으니 좋아하는 방법을 선택하면 된다.

3. 기준점을 (0,0)에 두고 원 두 개를 그린다. 하나는 반지름이 4mm인 원이고, 다른 하나는 반지름이 8mm이다.

4. 길이가 23mm인 보조선을 그린다. 지름이 16mm인 큰 원의 양 끝 사분점을 기준으로 보조선의 끝점까지 '직사각형: 모서리에서 모서리로' 명령을 사용하여 직사각형을 그린다.

5. 드래그를 하여 모든 커브를 선택한 뒤, '트림' 명령을 사용하여 필요없는 커브는 지운다. 트림 작업을 한 뒤 각각의 열린 커브는 '결합' 명령을 사용하여 하나의 닫힌 커브로 만들어준다.

6. 커브의 제일 윗부분부터 길이가 48mm되는 보조선을 하나 그린다. 너비는 먼저 그린 윗부분의 커브와 동일하면서 높이가 25mm인 직사각형을 그린다. 보조선은 임무를 다했으니 지워도 좋다.

7. 그림에서 보이는것과 같이 보조선을 그려준다. 보기 편하기 때문에 보조선을 사용할 커브와 다른 색으로 그렸지만 실제 시험장에서는 둘을 굳이 다른 색으로 표현할 필요는 없다. 편의에 의해서 여러 색으로 커브를 그렸더라도 모델링파일을 제출할 때 굳이 커브를 지우지 않아도 된다. 커브를 남겨두는 것은 감점 요인은 아니다.

8. 가로로 뻗은 20mm의 보조선의 끝점에 맞추어 반지름 2mm인 원 하나와 반지름 5mm인 원 하나를 그린다. 이후에 보조선은 지워도 좋다.

9. 닫힌 커브를 만들기 위해서 원의 위 아래 사분점과 직사각형을 '폴리라인' 명령을 사용하여 연결한다.


10. 드래그를 하여 아랫부분의 커브를 모두 선택한 뒤, '트림' 명령을 사용하여 필요없는 커브를 지운다. 지운 후에는 '결합' 명령을 사용하여 각각의 커브를 하나의 닫힌 커브로 만들어준다.

11. '커브 필릿' 명령을 사용하여 반지름 8mm 만큼 필릿을 준다. '커브 필릿'을 클릭한 후 명령창에 8을 입력하고 Enter를 누르고 필릿을 줄 커브를 각각 클릭하면된다.


12. 높이가 4mm되는 보조선을 직사각형의 중심선상에 그려준다. 그 끝점에 맞추어 가로 8mm, 세로 12mm인 직사각형을 그린다. 커브를 그린 후 보조선은 지워도 좋다.

13. 직사각형의 필릿은 도면상에 따로 치수가 도시되어있지 않다. 주서에 도시되고 지시없는 모뗴기는 C2, 라운드는 R3이라고 쓰여있다. 그러므로 필릿의 값은 3이 된다. '커브 필릿' 명령을 클릭하고 명령창에 3을 입력하고 Enter를 누른다. 그리고 필릿할 두 변을 각각 클릭한다.
직사각형의 모서리는 네 개이기 때문에 같은 작업을 네 번 반복하면된다. 작업을 완료하고 우클릭을 하면 아이콘을 누르지 않아도 이전 작업을 다시 수행할 수 있다.



14. 윗부분 커브를 드래그로 모두 선택한 뒤, Right view 화면에서 '닫힌 평면형 커브 돌출' 명령을 사용하여 13mm 두께로 돌출한다.



15. 아랫부분 커브를 드래그로 모두 선택한 뒤, Right view 화면에서 '닫힌 평면형 커브 돌출' 명령을 사용하여 6.5mm 두께로 돌출한다.

16. 부품의 바닥면부터 높이가 31mm되는 보조선을 그린다.

17. 31mm인 보조선의 높이에 맞추어 직사각형을 하나 그린다. 차집합을 위한 커브이기 때문에 부품보다 크기만 하다면 가로와 세로의 길이는 크게 중요하지 않다.


18. Right view 화면에서 중심선을 기준으로 '닫힌 평면형 커브 돌출' 명령을 사용하여 6mm 두께로 돌출한다.



19. '부울 차집합' 명령을 이용하여 직육면체 돌출을 빼준다. 차집합을 계산할 원래 서피스를 선택하고 차집합 계산에 사용할 서피스로 직육면체 돌출을 선택해준다. Enter를 누르면 작업이 완료된다. 작업이 완료된 후에는 '부울 합집합' 명령으로 각각의 돌출을 하나로 합쳐준다.

시험장에서 이렇게 출력하는 편이 빠르기도 빠르고 그나마 서포트를 제거하기도 수월할 것 같다. 맞물려 움직이는 부분은 어지간하면 세로보다 가로로 출력하는 것을 선호하지만 4번 도면의 경우 맞물리는 부분의 지름이 7mm로 비교적 다른 도면에 비해서 두꺼운 편이다. 바닥 부분만 어찌저찌 잘 떼어내면 별 큰 문제는 없을 것 같다.
▷다른 공개도면 연습하기◁
3D프린터운용기능사 공개도면 1번 만들어보기 - ①
1. 모델링을 하기에 앞서, 상호 움직임이 발생하는 부위의 치수를 먼저 정해놓아야한다. 1번(A), 2번(B)의 치수는 수험자가 결정해야하는데 시험지에는 해당부위의 기준치수와의 차이를 ±1mm라고
informationyouneed.effettoblog.com
3D프린터운용기능사 공개도면 2번 만들어보기 - ①
1. 모델링하는 시간을 단축시키고 싶다면 무작정 도면을 그릴 것이 아니라 어디부터 시작할지 잘 살펴봐야한다. 허둥대다가 도면을 다시 그려야 한다면 오히려 시간에서 큰 손해이다. 우선 3D프
informationyouneed.effettoblog.com
3D프린터운용기능사 공개도면 3번 만들어보기 - ①
1. 벌써 여러 번 반복해서 말하고 있지만 시험 도면을 잘 살펴보는 것은 몇 번을 강조해도 지나치지 않을 정도로 중요하다. 도면을 받으면 제일 먼저 수험자가 임의로 결정해야 하는 치수 1번(A)
informationyouneed.effettoblog.com
'3D프린터운용기능사 실기시험' 카테고리의 다른 글
| 3D프린터운용기능사 공개도면 5번 만들어보기 - ② (0) | 2023.08.28 |
|---|---|
| 3D프린터운용기능사 공개도면 5번 만들어보기 - ① (0) | 2023.08.28 |
| 3D프린터운용기능사 공개도면 4번 만들어보기 - ① (0) | 2023.07.21 |
| 3D프린터운용기능사 공개도면 3번 만들어보기 - ② (0) | 2023.07.21 |
| 3D프린터운용기능사 공개도면 3번 만들어보기 - ① (0) | 2023.07.21 |
댓글